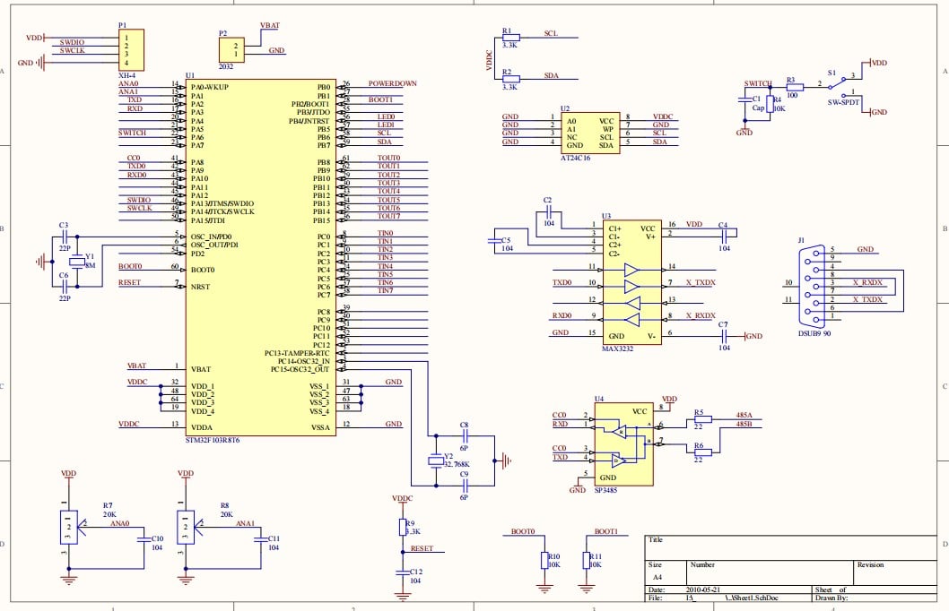
BÀI VIẾTMã nguồn và sơ đồ PLC FX Posted on October 28, 2025October 28, 2025 by hardwarevn.com 28 Oct Mã nguồn và sơ đồ PLC FX sử dụng chip STM32F103xxx. Tương tự như những bo PLC FX của Trung Quốc. Tương thích hoàn toàn với GX Work 2. Chức năng hoàn toàn giống PLC FX chính hãng Mitsubishi. Link download PLC FX: https://www.mediafire.com/file/7gl3yrraf3qj514/STM32F103RBT6_imitation_Mitsubishi_FX1N_PLC_source_code_compiler_environment_for_the_IAR_6.5.rar hardwarevn.com Tổng hợp thư viện mô phỏng Arduino và cảm biến trên Proteus Mạch nháy Led đơn dùng Transistor